ОБСЛУЖИВАНИЕ КЛИЕНТОВ:
Интернет-магазин:

+375 (29) 603-01-43

Розничный магазин:

+375 (29) 602-33-11
+375 (29) 174-93-32

Проектные продажи:

+375 (29) 661-87-84

Оптовые продажи:

+375 (17) 353-33-11
+375 (29) 608-50-09

Ваша корзина

Ваша корзина

Продуктов: 0
На сумму: 0 руб.

Сравнение продуктов



Поиск продуктов

Каталог продуктов

ПРИНИМАЕМ:

Способы оплаты

ОТПРАВЛЯЕМ:

Способы доставки

Магазины Светилкин


Sylvania
Zercale
GTV
Tungsram
Osram
Ledvance
Gauss
Maytoni
НОоТЕХНИКА
Tridonic
Kam's
Gracion
Unipro
ЭНЭФ
ЛИТ
НИИИС им.Лодыгина
TOPMET
Technoled
НФЛ
МДМ-ЛАЙТ
SELZ
Stucchi
FALDI
 
Главная » Новости

Новости

Герметичные патроны G5 для ламп Т5/Т16 в ассортименте магазина Светилкин

18.02.2009

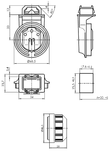
Уважаемые посетители светотехнического магазина СВЕТИЛКИН, сообщаем, что в дополнение к герметичным патронам для люминесцентных ламп с цоколем G13 (Т8/Т26) мы можем предложить Вам герметичные патроны для люминесцентных ламп с цоколем G5 (Т5/Т16).

_editor_vosloch_g5_patron.jpg 

  • Патрон, защищенный от проникновения пыли и воды (степень защиты IP67), подпружиненный, компенсированный для ламп T5
  • Корпус: PC, внутренняя часть: PBT GF, черный, T140, внешний цвет - белый
  • Номинальная величина 2/500
  • Единичные безвинтовые контактные зажимы: 0,5–1 мм2
  • Защелки для толщины стенки 1,4–2 мм
  • С прорезью для установки ламп
  • Вес 20,3 г.

_editor_vosloch_g5_schem.gif 

Герметичные патроны (гермопатроны), снабжаются специальной резиновой прокладкой, защищающей все контактные элементы от попадания на них влаги. Данные влагостойкие патроны рекомендуется применять совместно с люминесцентными лампами G5, установленными в непосредственной близости от воды: аквариумные светильники, светильники для ванных комнат и т.д. В комплект входят 1 цоколь и 1 резьбовое кольцо (крышка) гермопатрона.

Более подробную информацию о герметичных патронах для одной лампы T5 либо для двух ламп T5 можно найти на странице продуктов. 

По вопросам приобретения герметичных патронов свяжитесь с нами по телефонным номерам, указанным в разделе Контакты.

все новости

Архив новостей

Теги

Специальные предложения

Уважаемые покупатели! Светотехнический магазин "СВЕТИЛКИН" предлагает специальные цены. Следите за обновлениями в разделе Специальные предложения или подпишитесь на рассылку!

смотреть товары

Обзоры и публикации

Новости компании

13.11.2023

Бактерицидные лампы в защитной оболочке ФЕПЛОН

Читать далее
31.12.2022

Светилкин поздравляет с Рождеством и Новым 2023 годом!

Читать далее
16.05.2022

Международный день света

Читать далее
29.12.2021

Поздравление Светилкина с Рождеством и Новым 2022 годом

Читать далее
21.12.2021

Ремонт осветителя люминесцентного диагностического ОЛДД-01 (лампа "Вуда")

Читать далее
13.12.2021

Цветные люминесцентные лампы: придумай свой праздник!

Читать далее
30.11.2021

Проект освещения и настройка света в магазине Супер 8

Читать далее
22.11.2021

Участие Светилкина в бизнес-форуме по развитию цветочных салонов и магазинов "Цветы Беларуси"

Читать далее
все новости

Рассылка новостей

Узнавайте первыми об акциях, распродажах, новинках и анонсах компании! Подпишитесь на рассылку Светилкин: просто введите Ваш e-mail и нажмите кнопку ОК!

 


Светилкин - Евразийский светотехнический специалист