ОБСЛУЖИВАНИЕ КЛИЕНТОВ:
Интернет-магазин:

+375 (29) 603-01-43

Розничный магазин:

+375 (29) 602-33-11
+375 (29) 174-93-32

Проектные продажи:

+375 (29) 661-87-84

Оптовые продажи:

+375 (17) 353-33-11
+375 (29) 608-50-09

Ваша корзина

Ваша корзина

Продуктов: 244
На сумму: 11763.12 руб.

Сравнение продуктов



Поиск продуктов

Каталог продуктов

ПРИНИМАЕМ:

Способы оплаты

ОТПРАВЛЯЕМ:

Способы доставки

Магазины Светилкин


Sylvania
Zercale
GTV
Tungsram
Osram
Ledvance
Gauss
Maytoni
НОоТЕХНИКА
Tridonic
Kam's
Gracion
Unipro
ЭНЭФ
ЛИТ
НИИИС им.Лодыгина
TOPMET
Technoled
НФЛ
МДМ-ЛАЙТ
SELZ
Stucchi
FALDI
 
Главная » Продукты » 1. Лампы » Светодиодные модули » STARK SLE » STARK SLE GEN2/GEN3 FOOD » Светодиодный модуль Tridonic 89601700 STARK SLE G2 PURE FOOD LES26 GOLD+

Светодиодный модуль Tridonic 89601700 STARK SLE G2 PURE FOOD LES26 GOLD+

Светодиодный модуль Tridonic 89601700 STARK SLE G2 PURE FOOD LES26 GOLD+
руб.
Особенности продукта: Подтверждено стандартом CE ESD Директива, ограничивающая содержание вредных веществ Торговая марка:

Уникальная серия светодиодных модулей Tridonic TALEXXmodule STARK SLE FOOD для торгового оборудования. Доступны следующие цвета:
Gold
Gold+
Fresh Meat
Meat+

Применение

Данный цвет с лёгким коричневым ньюансом особенно подходит для выпечки: булочки, багеты и хлеб выглядят хрустящими, как будто только что из печки!

Свойства товара

Производитель Tridonic
Страна изготовитель Австрия
Класс источника света Светоизлучающие диоды
Обозначение STARK SLE G2 PURE FOOD LES26 GOLD+
Назначение Общее освещение
Тип лампы Светодиодный модуль
Возможность диммирования 
Требуется балласт
Мощность (Вт)  49.5
Напряжение (В)  35.3
Ток (А)  1.4
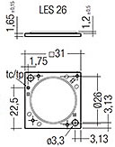
Длина (мм), L 31
Диаметр (мм), D 26
Ширина (мм) 31
Световой поток, лм  3200
Средний срок службы (ч) 50000
Количество в упаковке (шт) 20
Код заказа 89601700


Изображения




Светилкин - Евразийский светотехнический специалист