ОБСЛУЖИВАНИЕ КЛИЕНТОВ:
Интернет-магазин:

+375 (29) 603-01-43

Розничный магазин:

+375 (29) 602-33-11
+375 (29) 174-93-32

Проектные продажи:

+375 (29) 661-87-84

Оптовые продажи:

+375 (17) 353-33-11
+375 (29) 608-50-09

Ваша корзина

Ваша корзина

Продуктов: 211
На сумму: 10843.81 руб.

Сравнение продуктов



Поиск продуктов

Каталог продуктов

ПРИНИМАЕМ:

Способы оплаты

ОТПРАВЛЯЕМ:

Способы доставки

Магазины Светилкин


Sylvania
Zercale
GTV
Tungsram
Osram
Ledvance
Gauss
Maytoni
НОоТЕХНИКА
Tridonic
Kam's
Gracion
Unipro
ЭНЭФ
ЛИТ
НИИИС им.Лодыгина
TOPMET
Technoled
НФЛ
МДМ-ЛАЙТ
SELZ
Stucchi
FALDI
 
Главная » Продукты » 1. Лампы » Светодиодные модули » STARK SLE » STARK SLE GEN2/GEN3 FOOD » Светодиодный модуль Tridonic 89601701 STARK SLE G2 PURE FOOD LES26 FM

Светодиодный модуль Tridonic 89601701 STARK SLE G2 PURE FOOD LES26 FM

Светодиодный модуль Tridonic 89601701 STARK SLE G2 PURE FOOD LES26 FM
руб.
Особенности продукта: Подтверждено стандартом CE ESD Директива, ограничивающая содержание вредных веществ Торговая марка:

Уникальная серия светодиодных модулей Tridonic TALEXXmodule STARK SLE FOOD для торгового оборудования. Доступны следующие цвета:
Gold
Gold+
Fresh Meat
Meat+

Применение

Отличный баланс цвета в отделе для гурманов: белое мясо рыбы или белые прожилки в колбасе остаются белыми, при этом красное мясо выглядит особенно аппетитно.

Свойства товара

Производитель Tridonic
Страна изготовитель Австрия
Класс источника света Светоизлучающие диоды
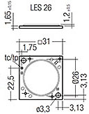
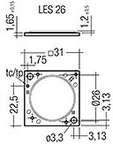
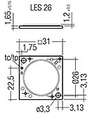
Обозначение STARK SLE G2 PURE FOOD LES26 FM
Назначение Общее освещение
Тип лампы Светодиодный модуль
Возможность диммирования 
Требуется балласт
Мощность (Вт)  49.5
Напряжение (В)  35.3
Ток (А)  1.4
Длина (мм), L 31
Диаметр (мм), D 26
Ширина (мм) 31
Световой поток, лм  2950
Средний срок службы (ч) 50000
Количество в упаковке (шт) 20
Код заказа 89601701


Изображения



Светилкин - Евразийский светотехнический специалист