ОБСЛУЖИВАНИЕ КЛИЕНТОВ:
Интернет-магазин:

+375 (29) 603-01-43

Розничный магазин:

+375 (29) 602-33-11
+375 (29) 174-93-32

Проектные продажи:

+375 (29) 661-87-84

Оптовые продажи:

+375 (17) 353-33-11
+375 (29) 608-50-09

Ваша корзина

Ваша корзина

Продуктов: 0
На сумму: 0 руб.

Сравнение продуктов



Поиск продуктов

Каталог продуктов

ПРИНИМАЕМ:

Способы оплаты

ОТПРАВЛЯЕМ:

Способы доставки

Магазины Светилкин


Sylvania
Zercale
GTV
Tungsram
Osram
Ledvance
Gauss
Maytoni
НОоТЕХНИКА
Tridonic
Kam's
Gracion
Unipro
ЭНЭФ
ЛИТ
НИИИС им.Лодыгина
TOPMET
Technoled
НФЛ
МДМ-ЛАЙТ
SELZ
Stucchi
FALDI
 

Описание

Для прожекторов и светильников
Высокий индекс цветопередачи CRI> 90
Высокая стабильность цвета (MacAdam 3)
Равномерное излучение с технологией Dam & Fill
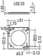
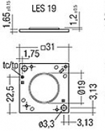
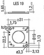
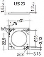
Установочные отверстия для винтов M3
Встроенный светодиодный модуль
Охлаждение требуется
Длительный срок службы: до 80% светового потока после 50 000 часов работы

Страницы:   | 1 | 2 | > | >> |
Показано 1 - 25 из 36
Фото Обозначение Мощ. (Вт) Цоколь Длина (мм), L Диаметр (мм), D Отделка колбы (цвет) Код заказа Производитель Цена    
STARK SLE PURE G3 Mini 10 1000 930 SEL STARK SLE PURE G3 Mini 10 1000 930 SEL 13.2   14 10   89601814   сравнить Нет в наличии. Сообщить о появлении?
STARK SLE PURE G3 Mini 10 1000 940 SEL W/O C STARK SLE PURE G3 Mini 10 1000 940 SEL W/O C 13.2   14 10   89601825   сравнить Нет в наличии. Сообщить о появлении?
STARK SLE PURE G3 Mini 10 1000 930 SEL W/O C STARK SLE PURE G3 Mini 10 1000 930 SEL W/O C 13.2   14 10   89601824   сравнить Нет в наличии. Сообщить о появлении?
STARK SLE PURE G3 Mini 10 1000 940 SEL STARK SLE PURE G3 Mini 10 1000 940 SEL 13.2   14 10   89601815   сравнить Нет в наличии. Сообщить о появлении?
STARK SLE G2 LES19 930 SEL STARK SLE G2 LES19 930 SEL 24.7     50   89601660   сравнить Нет в наличии. Сообщить о появлении?
STARK SLE PURE G2 LES19 940 SEL STARK SLE PURE G2 LES19 940 SEL 24.7   31 19   89601670   сравнить Нет в наличии. Сообщить о появлении?
STARK SLE PURE G2 LES19 930 SEL STARK SLE PURE G2 LES19 930 SEL 24.7   31 19   89601669   сравнить Нет в наличии. Сообщить о появлении?
STARK SLE G2 LES19 940 SEL STARK SLE G2 LES19 940 SEL 24.7     50   89601661   сравнить Нет в наличии. Сообщить о появлении?
STARK SLE PURE G2 LES23 930 SEL STARK SLE PURE G2 LES23 930 SEL 37.1   31 23   89601672   сравнить Нет в наличии. Сообщить о появлении?
STARK SLE G2 LES23 930 SEL STARK SLE G2 LES23 930 SEL 37.1     50   89601663   сравнить Нет в наличии. Сообщить о появлении?
STARK SLE G2 LES23 940 SEL STARK SLE G2 LES23 940 SEL 37.1     50   89601664   сравнить Нет в наличии. Сообщить о появлении?
STARK SLE PURE G2 LES23 940 SEL STARK SLE PURE G2 LES23 940 SEL 37.1   31 23   89601673   сравнить Нет в наличии. Сообщить о появлении?
STARK SLE G3 19 2000 930 SEL STARK SLE G3 19 2000 930 SEL 40.9     50   89601834   сравнить Нет в наличии. Сообщить о появлении?
STARK SLE PURE G3 19 2000 940 SEL STARK SLE PURE G3 19 2000 940 SEL 40.9   31 19   89601819   сравнить Нет в наличии. Сообщить о появлении?
STARK SLE PURE G3 Mini 17 2000 930 SEL STARK SLE PURE G3 Mini 17 2000 930 SEL 40.9   14 17   89601816   сравнить Нет в наличии. Сообщить о появлении?
STARK SLE PURE G3 19 2000 930 SEL STARK SLE PURE G3 19 2000 930 SEL 40.9   31 19   89601818   сравнить Нет в наличии. Сообщить о появлении?
STARK SLE PURE G3 Mini 17 2000 940 SEL STARK SLE PURE G3 Mini 17 2000 940 SEL 40.9   19 17   89601817   сравнить Нет в наличии. Сообщить о появлении?
STARK SLE PURE G3 Mini 17 2000 940 SEL W/O C STARK SLE PURE G3 Mini 17 2000 940 SEL W/O C 40.9   14 17   89601827   сравнить Нет в наличии. Сообщить о появлении?
STARK SLE G3 19 2000 940 SEL STARK SLE G3 19 2000 940 SEL 40.9     50   89601835   сравнить Нет в наличии. Сообщить о появлении?
STARK SLE PURE G3 Mini 17 2000 930 SEL W/O C STARK SLE PURE G3 Mini 17 2000 930 SEL W/O C 40.9   14 17   89601826   сравнить Нет в наличии. Сообщить о появлении?
STARK SLE G2 LES26 940 SEL STARK SLE G2 LES26 940 SEL 49.5     50   89601667   сравнить Нет в наличии. Сообщить о появлении?
STARK SLE G2 LES26 930 SEL STARK SLE G2 LES26 930 SEL 49.5     50   89601666   сравнить Нет в наличии. Сообщить о появлении?
STARK SLE PURE G2 LES26 940 SEL STARK SLE PURE G2 LES26 940 SEL 49.5   31 26   89601676   сравнить Нет в наличии. Сообщить о появлении?
STARK SLE PURE G2 LES26 930 SEL STARK SLE PURE G2 LES26 930 SEL 49.5   31 26   89601675   сравнить Нет в наличии. Сообщить о появлении?
STARK SLE G3 23 3000 940 SEL STARK SLE G3 23 3000 940 SEL 52.8     50   89601837   сравнить Нет в наличии. Сообщить о появлении?
Страницы:   | 1 | 2 | > | >> |
Показано 1 - 25 из 36


Светилкин - Евразийский светотехнический специалист